I16 - Rata

2  2  
2...  noch in Arbeit ... aber bald geht's weiter ... 1

... aktueller Stand 
 ... fast rohbaufertig ;-)j
      hh

Warum I16-Rata
Die Polikarpov I16 'Rata' ist unter den WW1-Flugzeugen für mich definitiv der 'spannendste' Flieger ... klein, dick, hässlich, total übermotorisiert und eine aerodynamische Katastrophe ... 
aber irgendwie scheint's doch zu fliegen !
Meine kleine 1:12-AirCombat-Version hat sich ja auch schon mehrfach im Kampf bewährt und ist nun über Jahre nicht tot zu kriegen.
Ob Original oder Modell ... man hört nur selten Gutes zu den Flugeigenschaften ... aber gerade diese Herausforderung ist meine Motivation zum Bau der fetten Ratte.

Bausätze/Quellen
- Von der Fa. Muder gab es aber mal einen Bausatz in 2-Meter Spannweite ... dieser ist (mit etwas Glück) manchmal noch irgendwo zu ergattern ... eine Baubeschreibung zur Muder-Rata gibts hier.
 ... GFK-Teile der 2-Meter Muder-I16
- Einen 'Short-Kit' gibt es in 144cm SW von Bulconcept (Lille / Frankreich) ... eine Baubeschreibung gibts hier.
- Baupläne z.B. gibt's z.B. bei outerzone.co in 2030mm Spannweite oder vom 'MSV Modellsport Verlag' aus dem Jahre 1979 ... der MSV-Original-Bericht ist hier zu finden. 
... da gibt es noch einige andere Quellen ... weitere findet man über Google.

... aber selber aus ner 3-Seitenansicht Kontruieren macht immer noch am meisten Spass !ddk


1.Konstruktion (200cm Spannweite)
Meine 1. Konstruktion mit 2000mm Spannweite hab ich wie auf den Bildern zu sehen ist lediglich angefangen ... d.h. Rumpf & Leitwerk wurde konstruiert ... mehr nicht !
Da mir, nachdem ich den passenden Motorhauben-Eimer der Muder-Rata in Händen hatte, das Modell dann doch zu wuchtig wurde und der von mir vorgesehene Saito-FG73R5 
wäre unter der riesigen Motorhaube sicherlich auch vollkommen verloren gewesen.
    


2.Konstruktion (176cm Spannweite)
Dann wurde das Model auf Größe 1:5 bzw. auf eine Spannweite von 176cm neu konstruiert ... die Motorhaube hat dann immerhin auch noch 26,5cm Durchmesser. 
Der Rumpf wird mittels CNC-geschnittetem Styroporsegmenten und hölzernem 'Innenskelet' realisiert.
Die Tragfläche, Leitwerke und Motorhaube werden ganz konventionell in Holzbauweise entstehen..

... im CAD diente mir der auf 1:5 skalierte Plan der 2Meter-Rata von Jürgen Ide (von 1979 !) als grobe Konstruktionsvorlage ... ich habe also nicht alles
neu erfunden ... wozu auch ? ... der Ide-Plan ist ja prinzipiell eine klasse Konstruktion.
Somit hat man schon mal eine dem Original entsprechende maßstäbliche Grundgeometrie und dadurch spart man sich schon einiges an Konstruktionsaufwand.



  

Rumpf
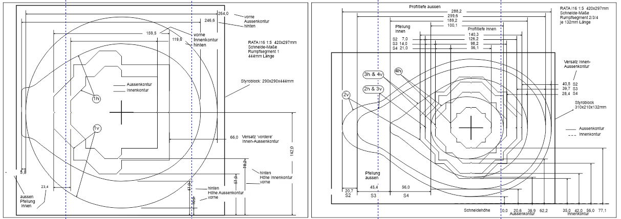
Um die 'bauchige' Rumpfform des Originals auch im Modelle wiederzuerkennen entsteht dieser aus vier CNC-geschnittenen Styropor-Segmenten !
Die Vorgehensweise bei der Erstellung von CNC-geschnittenen Rumpfsegmente habe ich ja schon mehrfach bei anderen Modellprojekten beschrieben ... 

 ... die Segmente/Daten für die Styro CNC werden gezeichnet ...

 ... und im 3D mal vorab zusammengesetzt ...

... hier die Schneideinformationen zur korrekten Positionierung/Ausrichtung der Drahtschnitte für die Styro-CNC 


Nachdem die Schneideschablonen gezeichnet und 'gesynct' waren ... meine CNC-Styro-Freunde wissen sicher was ich damit meine  ... ging's ans eigentliche Bauen 
des Rumpfes ...


 ... dann wwerden die Rumpfsegmente mittels Styro-CNC-Maschinchen  geschnitten ...
 ... angesteuert wird die Styro-CNC mittel der genialen GMFC-Software !

... das hölzernen 'Innenskelett' & die Spanten entstehen ... hier die fertigen DXF-Dateien  ...


... vor dem realen Fräsen werden die Teile vorab mittels 3D-Programm zusammengebaut und auf korrekte Passgenauigkeit geprüft ... das spart Holz, Zeit und Nerven !


... die fertig geschnittenen Styro-Rumpfsegmente und Rumpfspanten werden verklebt 
... der gebaute Rumpfkasten wird dann zusammen mit dem Motorspant eingeschoben und verklebt
... eine paar 3x8mm Rumpfgurte werden noch zur Verstärkung der Styroporteile mittels Oberfrässe eingepasst und mit PU-Kleber eingeklebt.

... der Flächenübergang entsteht ...
     

- zuerst wird die Auflage mit 3mm-Balsabrettchen eingeklebt ...  dabei ist unbedingt die Tragfläche als Auflageschablone zu montieren ... sonst passt Fläche später nicht richtig !
- die Rumpfungenauigkeiten werden mit PU-Kleber und Styrodurkeilen aufgefüllt  ... die obere Verkleidung besteht aus zwei Teilen
- mit Hilfe von Stützrippen, Pu- bzw. Sekundenkleber werden dann die Verkleidungen verklebt und mittels Nadeln/Klemmen fixiert.  

 ... nach dem ersten groben Beschneiden der Kante sieht der Flächenübergang doch schon recht passabel aus !


... hier geht's dann auch bald weiter ... 
Fläche
Die Fläche entsteht kontruktiv im Wing-Designer ... mit diesemTool sind dann die CNC-Daten der Rippen recht einfach zu generieren. 
  
Fläche wird zweiteilig gebaut und dann mittels Holmverbinder zusammengeklebt ... bei einer Spannweite von lediglich 176cm lohnt sich der Aufwand und das Mehrgewicht einer teilbaren Fläche nicht. 
 ... und wie schon beim Rumpfbau wird die Fläche vor dem Fräsen der Rippen virtuell zusammengebaut ... 

Etwas Aufwand hat man dann noch mit dem Einpassen der Fahrwerksaufnahmen bzw. der Fahrwerksschächte ... ist aber Aufrund der 'ordentlichen' Profildicke recht unproblematisch hinzubekommen.
Der Flächenbau ist dann auch dank der fertig gefrästen Rippen recht zügig erledigt.
   



Leitwerke
Die Leitwerke  entstehen ganz traditionell in Balsa-Rippenbauweise !
Die Pläne sind im CAD entstanden und werden in A3 1:1 ausgeruckt und als Bauvorlage verwendet  ...
  ... die Nasen- & Endleisten dienen beim Bau gleichzeitig als 'Abstandsstützen'
... der Rippensatz komplett gezeichnet ... 
 ... und hier auf 100mm breite 'Brettchen' zum verteilt - somit fertig zum Fräsen ! 

... und so sehen die Leitwerke dann fertig gebaut aus ... 
 ... die schrägen Scharnierkannten fehlen noch ...

... die Höhenruderaussparung wird mit der Styro-CNC geschnitten ... dabei ist auf korrekte EWD + horizontale Ausrichtung zu achten ! 
    ... passt perfekt !

... die Einpassung des Seitenleitwerks erfolgt vorsichtig mittels Proxxon-Fräser ... schön vorsichtig, denn weg ist weg !
  ... es wird ...

... hier mal alles vorab zusammengesteckt und Ruder 'profisorisch angetapet.
  ... sieht schon mal 'mächtig' gut aus ... 

... Leitwerksübergänge werden mittels 'Bastel-Schaumknete' realisiert ... ist genial das Zeug !!
  
... siehe auch Tip's&Trick's !

1... hier geht's dann auch bald weiter ... 1

Antrieb
SAITO FG73R5 (5-Zylinder-Stern / 73ccm / Viertakt / Benziner)
73cc scheint für ein 1:5-Modell mit lediglich 176cm Spannweite etwas übermotorisiert zu sein ... aber auch das Original war heftig motorisiert und
Gewicht kann man bei der Modellgeometrie nicht genug unter der Haube haben ... besser als Blei reinzupacken ist das allemal !

  ... hier zum Testlauf auf dem Motorprüfstand



 ... der Sound ... nur geil !!!

Aufwand:  
Materialkosten:  
Fliegen: 
Optik: 
Fazit: 

Technische Daten: 
Masstab 1:5
Spannweite 176 cm
Länge XX cm
Abfluggewicht: ca. 8-9Kg

Flächeninhalt XX dm²
Flächenbelastung XX g/dm²
Motor 50/60cc ... z.B. FG61, FG60R3 oder der FG73R5 (5-Zylinder-Stern / 73cc / Viertakt)
Steuerung Quer- Höhe- Seitenruder, Landeklappen, Fahrwerk, Motor + Zündung Servos Decals: Materialquellen: Lackiervorlagen : Decals/Hoheitszeichen:
Bauforum mit Tipps zum Bau der I16: Bilder Galarie : historische Info's: http://de.wikipedia.org/wiki/Polikarpow_I-16 Videos :